震撼“芯”品|PF=0.999千瓦级交错并联PFC控制器CSV6070
发布日期:2024-09-13

千瓦级交错并联PFC控制芯片CSV6070
满足功率因数=0.999
在小功率电源或充电器中,电网交流电通常直接经过二极管不控整流实现交流转直流的目的。但其输入电流只有在交流侧电压超过直流侧电压才会产生,波形如图1(a)中Ig所示,因此功率因数(Power Factor,PF)不高,而且电流谐波高达150%以上。在小功率应用中,该电流对大电网影响常被忽略,但是当负载功率较大时,它将导致电网电压畸变,频率漂移,电压跌落等,严重影响其他用电设备正常工作。

(a) 二极管整流输入电流Ig (b) 加PFC后输入电流Ig
图1 功率因数校正概念
为此国家出台了谐波电流限制规范要求(如EN61000-3-2、GB17625.1-2022),来限制大功率开关电源对电网的谐波污染。通常在大于80W的电源设计中就需要加入功率因数校正(Power Factpr Correction,PFC)环节,使得输入电网电流如图1(b)所示。
CSV6070简介:
sunbet申搏官方网站最新推出的交错连续导通模式功率因数校正芯片CSV6070,为大功率交流转直流开关电源提供了完美的功率因数校正解决方案。该芯片包含多项创新技术,主要功能包括:
(1)交错并联控制,与单相PFC相比可以减少输入电流纹波,减少电感总体积,提高效率, 同时可多芯片并联;
(2)增加了电流合成和量化电压前馈功能,以提升PF值、 效率、 瞬态响应,并降低THD;
(3)包含多种保护功能:输出过电压检测、输入浪涌保护、可调节峰值限流、欠压关断和开路保护等。
CSV6070是国产化PFC模拟方案中可覆盖千瓦级别的领跑者。可被广泛应用于电动车车载充电器OBC(On-Board Charger),家用电器,中大功率照明,通信/服务器电源等领域。




(a)车载充电 (b)家电(c)照明(d)通信电源
图2 CSV6070功率因数校正应用领域
CSV6070应用框图和DEMO:
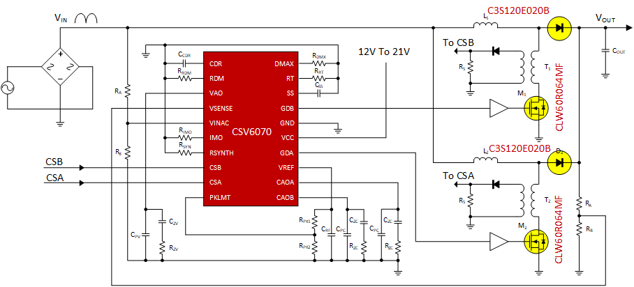
在功率较大PFC解决方案中,会经常使用交错架构。CSV6070可同时控制两相PFC电路,通过相移控制实现了PFC输入电流纹波减弱的同时,完成了功率扩展。应用框图如下:

图3 CSV6070应用框图

图4 1.5kW CSV6070应用Demo
CSV6070芯片特点:
●先进的内部电流合成器
●高线性乘法器输出与内部量化电压前馈校正
●可编程峰值电流限制
●频率可调30kHz-300kHz
●可同步外部时钟
●可调软起动
●可实现频率抖动以减小EMI
●可对电压比较器的输出压摆率校正
●量化前馈(QVFF)功能
●欠压保护、过压保护、开路保护和过温保护
●SOP20/TSSOP20/QFN5×5-20L
CSV6070性能测试结果:
1
效率曲线

2
功率因数曲线

3
电源/负载调整率


4
启动波形

(10ms/div)
5
1.5kW满功率稳态波形(PF=0.999,THD<5%)

(10ms/div)
6
稳态交错并联电流波形

(5us/div)
7
负载跳变波形

(100ms/div)
CSV6070电路设计:
1
输入电流纹波计算
因为输入为交流电,所以开关管的占空比范围很大。当Vin>0.5Vo时,D<0.5;当Vin<0.5Vo时,D>0.5。鉴于这两种情况,对两个PFC电感电流合成的波形进行分析。假设开关管S1,S2占空比相同,开关信号相位错开180°。
(1)占空比D>0.5
两个电感电流的波形如下图:

电感电流合成的波形如图,等效占空比为:

合成的电流纹波大小为:

两个电感感量相等时,

(2)占空比D<0.5
L1和L2电流的波形如下图:

等效占空比为:

合成的电流纹波大小为:

两个电感感量相等时,

合成的电流纹波与一路电流纹波的比值K可以表示为:


2
电感尺寸减小
传统PFC变换器电感存储的能量Et可以表示为:

交错并联PFC流过一路电感的电流是输入电流的二分之一,所以单路电感存储的能量Ei可以表示为:

采用AP法设计电感,确定磁芯有效截面积与窗口面积的乘积,从而选定磁芯尺寸:

则传统PFC变换器与交错并联PFC变换器的AP值的表达式分别为:


由上式可知,传统PFC电感所需磁芯的总面积是交错并联的四倍,而交错并联PFC需要两路电感,所以传统PFC电感所需磁芯的总面积是交错并联的两倍。
sunbet申搏官方网站支持PFC芯片列表

单路PFC芯片CSV6088应用框图:

CSV6070可搭配sunbet申搏官方网站600/650V MOSFET/DIODE
选型表
超结MOSFET

快恢复MOSFET

平面MOSFET

碳化硅MOSFET

碳化硅二极管

sunbet申搏官方网站

sunbet申搏官方网站成立于2015年,总部位于张家港市,设有西安子公司,无锡、南京及深圳分公司。公司专注于智能功率半导体器件与功率集成芯片研发、生产和销售。已于2023年8月18日在上交所科创板成功上市,股票代码:688693.SH。
自设立以来,公司以“自主创芯,助力核心芯片国产化” 为发展理念,“服务零缺陷”为质量目标,聚焦功率半导体产业方向,采取功率器件与功率IC双轮驱动策略,将公司打造成高品质,高可靠的功率半导体供应商。

扫码关注|了解更多

